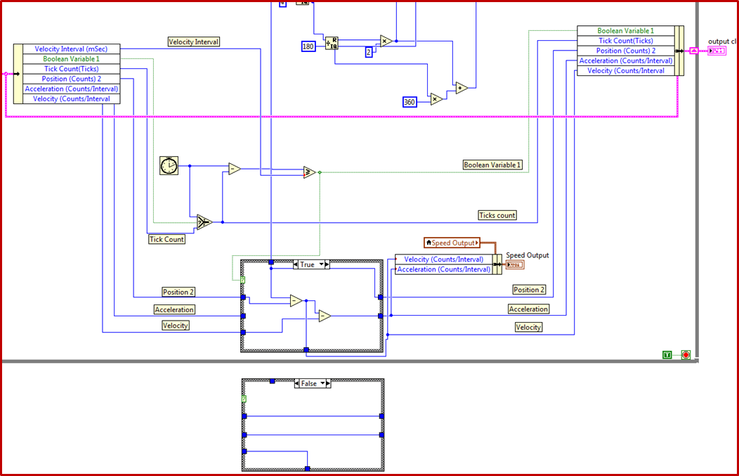
So., I am currently trying to program a Hytechnic Gyro on an NXT kit; I have a program that I have programmed myself with help from the web and it for the most part works. I have attached a picture of it to this query. How do I go about adjusting the wheels to turn to auto correct the pitch of the. Controlled NXT brick, Interactive Servo Motors, Sound, Ultrasonic and other sensors, Bluetooth communication and multiple downloading capabilities. The icon-based LEGO MINDSTORMS Education NXT Software is built on the LabVIEW™ software from National Instruments, an industry standard with applications in many engineering and research fi elds.
- How To Program An Nxt Segway Labviewlasopafs Charger
- How To Program An Nxt Segway Labviewlasopafs Cost
- How To Program An Nxt Segway Labviewlasopafs Plus
- How To Program An Nxt Segway Labviewlasopafs Manual
- How To Program An Nxt Segway Labviewlasopafs Pro
- The first control program, SegWay, assumes that the robot is a single mass balanced on two wheels (motor #3 is not used with Segway control program). The second program, SegWay BT, requires that the robot features one more degree of freedom at the location of motor #3 (indicated in the figure).
- The chapter contains a java program Sejway.java that can be used as a starting point for experiments with a self-balancing LEGO robot. 5 Robotic Ideas & Instructions, AnyWay - Build a SegWay in under an hour! 6 HITechnic, HTWay - A Segway type robot. 7 nxtprograms, NXT Segway with Rider. 8 HiTechnic Gyro Sensor. 9 The gyro sensor.
- Jul 18, 2014 There are two files: Run kalmandesign3.m first to generate a linear state space model of the plant, design a Kalman filter to estimate the states from the gyro, accelerometer, and wheel encoders, and design a full state feedback controller. Then use NXTsegwaykalman3.mdl to generate code that can be embedded onto the NXT using the NXT target.
How To Program An Nxt Segway Labviewlasopafs Charger
Fun Projects for your LEGO® MINDSTORMS® NXT! |
| NXT Segway with Rider |
|
Building Instructions
1
| OR |
You can use the NXT with either AA batteries or the NXT Rechargeable Battery Pack. |
2
3
4
5
| Insert the cross brace between the motors, keeping the wires routed under it as shown above. Wrap and then connect the B and C wires to the two motors as shown below, then finally attach the color sensor as shown, which should be connected to the port 3 wire. |
6
7
8
9
10
11
12
| Connect the body motor for the rider to port A. The ultrasonic sensor is not attached in this design. |
Locking the Rider in PlaceWhen using the Segway program, which does not do any rider leaning, you can lock in the rider in place as shown below to make the robot easier to work with. Remember to remove the lock when using the SegwayBT program. You can use either of these axles to hold the rider in place. The size 5 axle will look better, but the size 8 axle with stop is easier to insert and remove. |
Challenges
|
How To Program An Nxt Segway Labviewlasopafs Cost
'Segway' is a registered trademark of Segway, Inc. |
|
Annual License (365 Days)
Perpetual License (No Expiration)
Building License - Annual License (365 Days)
- Contact us at support@robotc.net to purchase the licenses below:
- 365-Days, 1 Classroom, 30 seats, $599
- 365-Days, 2 Classroom, 60 seats, $699
- 365-Days, 3 Classroom, 90 seats, $799
- 365-Days, Unlimited Classroom, Unlimited seats, $999
Homework Packs
- Contact us at support@robotc.net to purchase the licenses below:
- 180-Days, $8.99 per license
- 365-Days, $14.99 per license
ROBOTC and Robot Virtual Worlds bundles
Annual License (365 Days)
ROBOTC and Robot Virtual Worlds bundles
Perpetual License (No Expiration)
How To Program An Nxt Segway Labviewlasopafs Plus
Building License Bundle for ROBOTC for LEGO MINDSTORMS + Robot Virtual Worlds - LEGO
- Contact us at support@robotc.net to purchase the licenses below:
- 365-Days, 1 Classroom, 30 seats, $999
- 365-Days, 2 Classroom, 60 seats, $1,199
- 365-Days, 3 Classroom, 90 seats, $1,399
- 365-Days, Unlimited Classroom, Unlimited seats, $1,699
How To Program An Nxt Segway Labviewlasopafs Manual

How To Program An Nxt Segway Labviewlasopafs Pro
Resources

